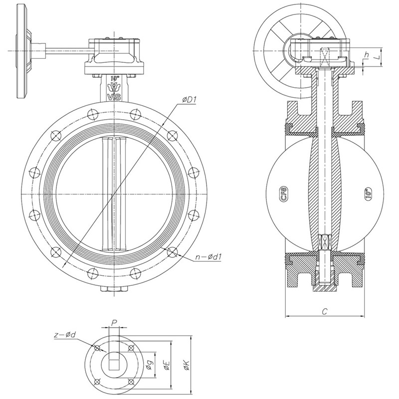
| NO | PARÇA ADI | MALZEME |
|---|---|---|
| 1 | Gövde | WCB / Bronze Rg5 /Al-Bronze / SS304/ SS316 |
| 2 | Conta | EPDM / NBR / VITON / PTFE |
| 3 | Mil | SS420 / SS304 / SS316 |
| 4 | Klape | GGG40 / WCB / Al-Bronze / SS304 / SS316 |
| 5 | Burç | Polymers |
| 6 | O-Ring | NBR |
| Anma Çapı | Vana Boyutları EN 558 Serie 13 / DIN 3202-F16 / BS 5155 | Üst Flanş Boyutları DIN EN ISO 5211 | Mil Boyutları DIN 3337 | Flanş Boyutları EN 1092 - PN6 | Flanş Boyutları EN 1092 - PN10 | Flanş Boyutları EN 1092 - PN16 | Flanş Boyutları ASME B16.5 - Class 150 | Flanş Boyutları JIS B2220 - 5K | Flanş Boyutları JIS B2220 - 10K | Ağırlık | |||||||||||
|---|---|---|---|---|---|---|---|---|---|---|---|---|---|---|---|---|---|---|---|---|---|
| DN | C | ØK | ØE | Øg | z × Ød | h | L | P | ØD1 | n - Ød1 | ØD1 | n - Ød1 | ØD1 | n - Ød1 | ØD1 | n - Ød1 | ØD1 | n - Ød1 | ØD1 | n - Ød1 | kg |
| 50 | 108 | 65 | 50 | 35 | 4xØ7 | 3 | 32 | 9 | 110 | 4-14 | 125 | 4-18 | 125 | 4-18 | 120,7 | 4-19 | 105 | 4-15 | 120 | 4-19 | 8 |
| 65 | 112 | 65 | 50 | 35 | 4xØ7 | 3 | 32 | 9 | 130 | 4-14 | 145 | 4-18 | 145 | 4-18 | 139,7 | 4-19 | 130 | 4-15 | 140 | 4-19 | 9 |
| 80 | 114 | 65 | 50 | 35 | 4xØ7 | 3 | 32 | 9 | 150 | 4-18 | 160 | 8-18 | 160 | 8-18 | 152,4 | 4-19 | 145 | 4-19 | 150 | 8-19 | 11 |
| 100 | 127 | 90 | 70 | 55 | 4xØ9 | 3 | 32 | 11 | 170 | 4-18 | 180 | 8-18 | 180 | 8-18 | 190,5 | 8-19 | 165 | 8-19 | 175 | 8-19 | 13 |
| 125 | 140 | 90 | 70 | 55 | 4xØ9 | 3 | 32 | 14 | 200 | 8-18 | 210 | 8-18 | 210 | 8-18 | 215,9 | 8-22 | 200 | 8-19 | 210 | 8-23 | 17 |
| 150 | 140 | 90 | 70 | 55 | 4xØ9 | 3 | 32 | 14 | 225 | 8-18 | 240 | 8-23 | 240 | 8-23 | 241,3 | 8-22 | 230 | 8-19 | 240 | 8-23 | 23 |
| 200 | 152 | 125 | 102 | 70 | 4xØ12 | 3 | 45 | 17 | 280 | 8-18 | 295 | 8-23 | 295 | 12-23 | 298,5 | 8-22 | 280 | 8-23 | 290 | 12-23 | 32 |
| 250 | 165 | 125 | 102 | 70 | 4xØ12 | 3 | 45 | 22 | 335 | 12-18 | 350 | 12-23 | 355 | 12-27 | 362 | 12-25 | 345 | 12-23 | 355 | 12-25 | 50 |
| 300 | 178 | 125 | 102 | 70 | 4xØ12 | 3 | 45 | 22 | 395 | 12-23 | 400 | 12-23 | 410 | 12-27 | 431,8 | 12-25 | 390 | 12-23 | 400 | 16-25 | 65 |
| 350 | 190 | 125 | 102 | 70 | 4xØ12 | 3 | 45 | 22 | 445 | 12-23 | 460 | 16-23 | 470 | 16-27 | 476,3 | 12-25 | 435 | 12-25 | 445 | 16-25 | 95 |
| 400 | 216 | 175 | 140 | 100 | 4xØ18 | 4 | 46 | 27 | 495 | 16-23 | 515 | 16-27 | 525 | 16-30 | 539,8 | 16-29 | 495 | 16-25 | 510 | 16-27 | 130 |
| 450 | 222 | 175 | 140 | 100 | 4xØ18 | 4 | 51 | 27 | 550 | 16-23 | 565 | 20-27 | 585 | 20-30 | 877,9 | 16-32 | 555 | 16-25 | 565 | 20-27 | 150 |
| 500 | 229 | 175 | 140 | 100 | 4xØ18 | 4 | 64 | 27 | 600 | 20-23 | 620 | 20-27 | 650 | 20-33 | 635 | 20-32 | 605 | 20-25 | 620 | 20-27 | 200 |
| 600 | 267 | 210 | 165 | 130 | 4xØ23 | 5 | 70 | 36 | 705 | 20-28 | 725 | 20-30 | 770 | 20-36 | 749,3 | 20-35 | 715 | 20-27 | 730 | 24-33 | 300 |
| Basınç Aralığı | : | PN 10-16 |
| Ölçü Aralığı | : | DN50 - DN600 |
| L Boyu | : | EN 558 Serie 13, DIN 3202-F16, BS 5155 |
| Flanş | : | EN 1092 |
| Testler | : | EN 12266 |