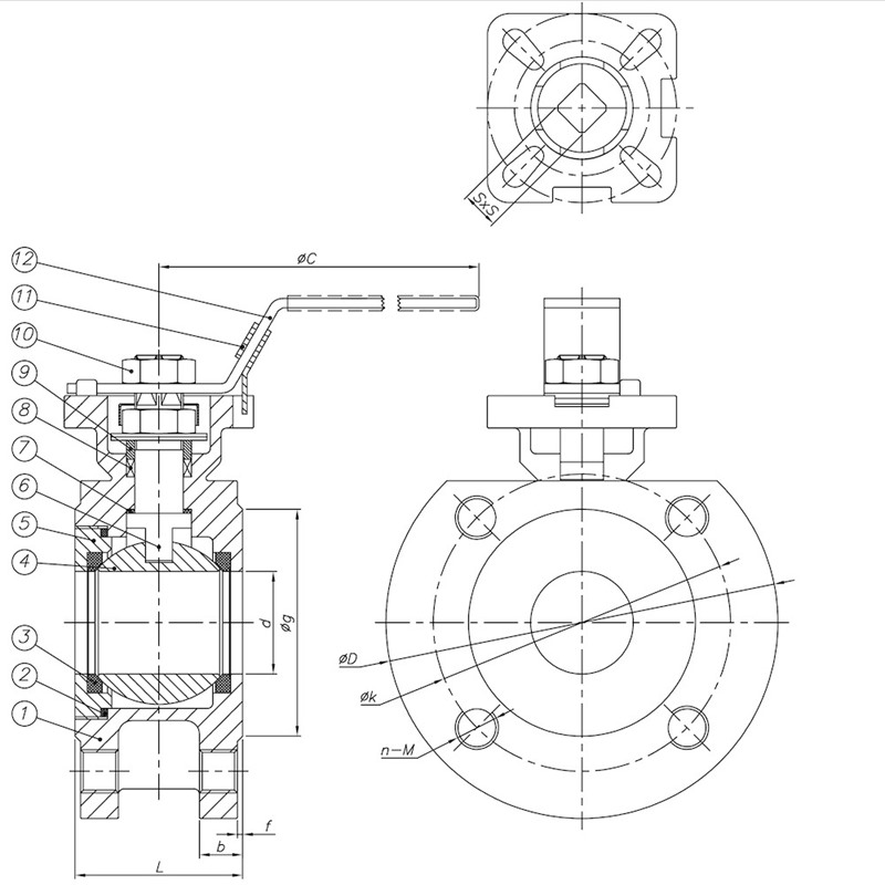
NO | PART NAME | MATERIAL |
|---|---|---|
| 1 | Somun | SS316 |
| 2 | Kol | SS201 |
| 3 | Kare Pul | SS304 |
| 4 | Stop Kilit Kapağı | SS304 |
| 5 | Limit Stop | SS304 |
| 6 | Belleville Pul | SS304 |
| 7 | Burç | SS304 |
| 8 | Salmastra | PTFE |
| 9 | Conta | PTFE |
| 10 | Mil | SS316 |
| 11 | Kapak | CF8M |
| 12 | Küre | SS316 |
| 13 | Gövde Burcu | PTFE |
| 14 | Conta | PTFE |
| 15 | Gövde | CF8M |
| 16 | Kilit | SS201 |
| Nominal Diameter | Valve Dimensions | Flange Dimensions EN 1092-1 | Top Flange | Torque | Weight | ||||||||||
|---|---|---|---|---|---|---|---|---|---|---|---|---|---|---|---|
| PN 10 / PN16 | |||||||||||||||
| DN | Ölçü | L | d | H | C | ØD | ØK | Øg | b | f | n - M | ISO 5211 | SxS | N.m | kg |
| 15 | 1/2" | 42 | 15 | 76 | 110 | 95 | 65 | 45 | 14 | 2 | 4-M12 | F03/F04 | 9 | 5 | 1,4 |
| 20 | 3/4” | 44 | 20 | 81 | 110 | 105 | 75 | 58 | 16 | 2 | 4-M12 | F03/F04 | 9 | 8 | 1,9 |
| 25 | 1” | 50 | 25 | 90 | 160 | 115 | 85 | 68 | 16 | 2 | 4-M12 | F04/F05 | 11 | 10 | 2,4 |
| 32 | 1-1/4" | 60 | 30 | 102 | 160 | 140 | 100 | 78 | 16 | 2 | 4-M16 | F04/F05 | 11 | 14 | 3,6 |
| 40 | 1-1/2" | 65 | 36 | 115 | 185 | 150 | 110 | 88 | 16 | 3 | 4-M16 | F05/F07 | 14 | 18 | 4,4 |
| 50 | 2” | 80 | 46 | 122 | 185 | 165 | 125 | 102 | 18 | 3 | 4-M16 | F05/F07 | 14 | 25 | 5,5 |
| 65 | 2-1/2" | 110 | 57 | 168 | 305 | 185 | 145 | 122 | 18 | 3 | 4-M16 | F07/F10 | 19 | 48 | 8,6 |
| 80 | 3" | 120 | 73 | 178 | 305 | 200 | 160 | 138 | 20 | 3 | 8-M16 | F07/F10 | 19 | 75 | 11 |
| 100 | 4" | 150 | 90 | 198 | 305 | 220 | 180 | 158 | 20 | 3 | 8-M16 | F07/F10 | 19 | 110 | 14 |