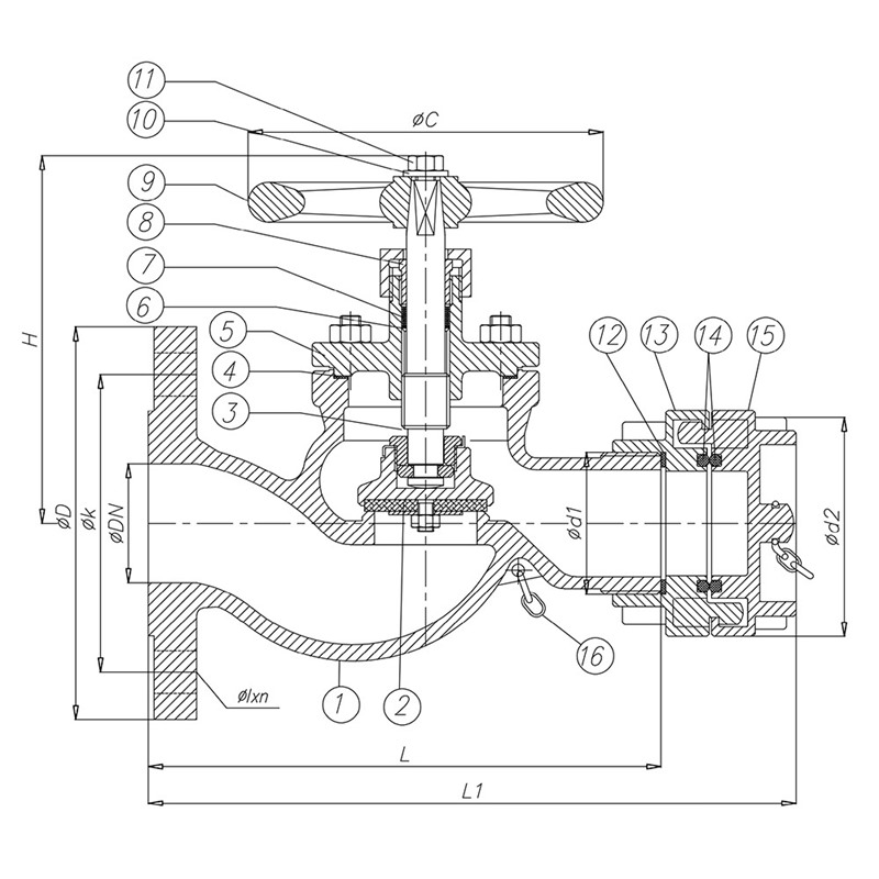
| NO | PARÇA ADI | MALZEME |
|---|---|---|
| 1 | Gövde | G-CuSnSZnSPbS-C |
| 2 | Klape | G-CuSnSZnSPbS-C |
| 3 | Mil | CuZn39Pb3 |
| 4 | Conta | Perbunan |
| 5 | Kapak | G-CuSnSZnSPbS-C |
| 6 | Rodela | CuZn39Pb3 |
| 7 | Salmastra | Graphite / PTFE |
| 8 | Baskı | Steel 5 Zn |
| 9 | Volan | GG-25 |
| 10 | Rondela | Steel 5 Zn |
| 11 | Civata | Steel 5 Zn |
| 12 | Conta | Perbunan |
| 13 | Sabit Kaplin | G-CuSnSZnSPbS-C |
| 14 | O-Ring | Perbunan |
| 15 | Tapa Kaplin | G-CuSnSZnSPbS-C |
| 16 | Zincir | Steel 5 Zn |
| Anma Çapı | PN 16 / DIN EN 1092 | DIN 86211 | Ağırlık | Stok Kodu | |||||||||
|---|---|---|---|---|---|---|---|---|---|---|---|---|---|
| ØD | Øk | Øg | Øxad | Øb | f | Ød2 | L | L1 | Ødl | H | kg | ||
| DN 40 | 127 | 98,6 | 73 | 016x4 | 14 | 3 | 96 | 150 | 130 | 140 | 200 | 7 | |
| DN 50 | 152 | 121 | 92 | 019x4 | 16 | 96 | 165 | 130 | 240 | 8,5 | |||
| DN 65 | 178 | 140 | 105 | 124 | 200 | 185 | 160 | 265 | 14 | ||||
| Anma Basıncı | : | PN 16 - 150 1b |
| Ölçü Aralığı | : | DN40- DN50-DN65 |
| Ölçüler | : | DIN 86211 |
| Flanş | : | DIN 2501 / ASME B16.10 |
| Seçenekler Flanş Seçenekleri: | : | İngiliz Kaplin,Nor Kaplin,Nakajima Kaplin,Bronz Volan |