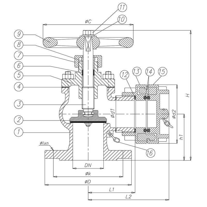
| NO | PARÇA ADI | MALZEME |
|---|---|---|
| 1 | Gövde | G-CuSnSZnSPbS-C |
| 2 | Klape | G-CuSnSZnSPbS-C |
| 3 | Mil | CuZn39Pb3 |
| 4 | Conta | Perbunan |
| 5 | Kapak | G-CuSnSZnSPbS-C |
| 6 | Rodela | CuZn39Pb3 |
| 7 | Salmastra | Graphite+ PTFE |
| 8 | Baskı | CuZn39Pb3 |
| 9 | Volan | GG-2 5 |
| 10 | Rondela | Steel 5 Zn |
| 11 | Civata | Steel 5 Zn |
| 12 | Conta | Perbunan |
| 13 | Sabit Kaplin | CuZn39Pb3 |
| 14 | O-Ring | Perbunan |
| 15 | Tapa Kaplin | CuZn39Pb3 |
| 16 | Zincir | Steel 5 Zn |
PN 16 / DIN EN 1092 | Vana Boyutları | DIN 86211 | Ağırlık | Stok Kodu | ||||||||||
|---|---|---|---|---|---|---|---|---|---|---|---|---|---|---|
| Anma Çapı | ØD | Øk | Øg | Øxad | f | Ød | Ød2 | hl | Ll | L2 | Ødl | H | kg | |
| DN 40 | 150 | 110 | 88 | Ø18x4 | 3 | R1 1/2" | 96 | 65 | 75 | 130 | 140 | 220 | 5,5 | |
| DN 50 | 165 | 125 | 102 | R2" | 96 | 75 | 75 | 130 | 230 | 7 | ||||
| DN 65 | 185 | 145 | 122 | R2 1/2" | 124 | 90 | 95 | 185 | 160 | 265 | 11 | |||
| Anma Basıncı | : | PN 10-16 |
| Ölçü Aralığı | : | DN40- DN50-DN65 |
| Ölçüler | : | DIN 86211 |
| Flanş | : | DIN EN 1092 |
| Seçenekler Flanş Seçenekleri: | : | İngiliz Kaplin,Nor Kaplin,Nakajima Kaplin,Bronz Volan |